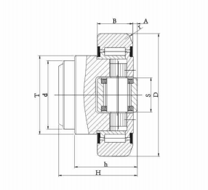
| Axial Bearing eccentric adjustable with tooth form shaft | |||||||||||||
| Bearing No. | Dimensions(mm) | Basic load rating(KN) | Weight(Kg) | ||||||||||
| D | T | d | H | h | B | A | S | Cr | Cor | Ca | Coa | ||
| CRA62.5-3E | 62.5 | 42 | 30 | 37.5-39 | 30.5-32 | 20 | 4 | 20 | 31 | 35.5 | 11 | 11 | 0.53 |
| CRA64.8-9E | 64.8 | 42 | 30 | 37.5-39 | 30.5-32 | 20 | 4 | 20 | 31 | 35.5 | 11 | 11 | 0.55 |
| CRA70.1-5E | 70.1 | 48 | 35 | 44-45.5 | 36-37.5 | 23 | 4 | 20 | 45.5 | 51 | 11 | 11 | 0.80 |
| CRA73.8-2E | 73.8 | 48 | 35 | 44-45.5 | 36-37.5 | 23 | 4 | 20 | 45.5 | 51 | 11 | 11 | 0.80 |
| CRA78-1E | 78.0 | 54 | 40 | 48-49.5 | 37-38.5 | 23 | 3.5 | 26 | 48 | 56.8 | 18 | 18 | 1.00 |
| CRA78.3-20E | 78.3 | 54 | 40 | 40-41.5 | 29-30.5 | 23 | 3.5 | 26 | 48 | 56.8 | 18 | 18 | 0.87 |
| CRA81.8-7E | 81.8 | 54 | 40 | 48-49.5 | 37-38.5 | 23 | 3.5 | 26 | 48 | 56.8 | 18 | 18 | 1.05 |
| CRA88.4-2E | 88.4 | 59 | 45 | 57-58.5 | 44-45.5 | 30 | 4 | 26 | 68 | 72 | 23 | 23 | 1.62 |
| CRA92.8-1E | 92.8 | 59 | 45 | 57-58.5 | 44-45.5 | 30 | 4 | 26 | 68 | 72 | 23 | 23 | 1.65 |
| CRA101.6-1E | 101.6 | 69 | 50 | 46-48 | 33-35 | 26 | 4.5 | 30 | 73 | 82 | 25 | 27 | 1.74 |
| CRA108.5-3E | 108.5 | 69 | 55 | 54-56 | 40-42 | 31 | 4 | 30 | 81 | 95 | 25 | 27 | 2.27 |
| CRA107.7-3E | 107.7 | 69 | 60 | 69-71 | 55-57 | 31 | 4 | 30 | 81 | 95 | 25 | 27 | 2.82 |
| CRA111.8-7E | 111.8 | 69 | 60 | 69-71 | 55-57 | 31 | 4 | 30 | 81 | 95 | 25 | 27 | 2.85 |
| CRA123-33E | 123.0 | 80 | 60 | 72.3-76.3 | 56-60 | 37 | 5 | 34 | 110 | 132 | 31 | 36 | 3.60 |
| CRA127.8-5E | 127.8 | 80 | 60 | 72.3-76.3 | 56-60 | 37 | 5 | 34 | 110 | 132 | 31 | 36 | 4.00 |
| CRA149.4-1E | 149.4 | 108 | 60 | 78.5-82.5 | 58.5-62.5 | 45 | 6 | 34 | 151 | 192 | 31 | 36 | 6.30 |
| CRA153.8-7E | 153.8 | 108 | 60 | 78.5-82.5 | 58.5-62.5 | 45 | 6 | 34 | 151 | 192 | 31 | 36 | 6.70 |





