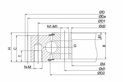
| Bearing No. | Dimension (mm) | Weight(kg) | |||||||||||||||||
| d | d1 | d2 | D | D1 | D2 | C | H | B | B1 | N-M | T | N1-M1 | De | m | z | km | G | ||
| 11-20 0311/1-02102 | 242 | 268 | 404 | 355 | 315.5 | 44 | 56 | 44 | 20-M12 | 20 | 24-Φ 14 | 395 | 5 | 79 | 0.5 | 4-M8*1 | 23 | ||
| 11-20 0311/1-02103 | 242 | 268 | 243.5 H8 | 404 | 355 | 317 H8 | 44 | 56 | 44 | 10 | 20-M12 | 20 | 24-Φ 14 | 395 | 5 | 79 | 0.5 | 4-M8*1 | 23 |
| 31-0411-01 | 342 | 368 | 344 H9 | 505 | 455 | 412.2 H9 | 46 | 56 | 46 | 10 | 20-M12 | 20 | 24-Φ 14 | 495 | 5 | 99 | 0 | 4-M8*1 | 33 |
| 11-20 0411/1-02112 | 342 | 368 | 504 | 455 | 415.5 | 44 | 56 | 44 | 20-M12 | 20 | 24-Φ 14 | 495 | 5 | 99 | 0.5 | 4-M8*1 | 32 | ||
| 11-20 0411/1-02113 | 342 | 368 | 343.5 H8 | 504 | 455 | 417 H8 | 44 | 56 | 44 | 10 | 20-M12 | 20 | 24-Φ 14 | 495 | 5 | 99 | 0.5 | 4-M8*1 | 32 |
| SEG 505 20 01 CCLM | 342 | 368 | 344 H9 | 503.3 | 455 | 415.5 | 45 | 56 | 45 | 10 | 20-M12 | 20 | 24- Φ 14 | 495 | 5 | 99 | 0.85 | 2-M8*1 | 31 |
| 11-25 0455/1-04110 | 355 | 395 | 590.4 | 516 | 457 | 71 | 80 | 54 | 18-M20 | 40 | 18-Φ 22 | 576 | 8 | 72 | 0.8 | 4-M10*1 | 74 | ||
| 31-0541-01 | 472 | 498 | 474 H9 | 640 | 585 | 542.5 H9 | 46 | 56 | 46 | 10 | 28-M12 | 20 | 32-Φ 14 | 630 | 6 | 105 | 1 | 4-M8*1 | 45 |
| 11-20 0541/1-02122 | 472 | 498 | 640.8 | 585 | 545.5 | 44 | 56 | 44 | 28-M12 | 20 | 32-Φ 14 | 630 | 6 | 105 | 0.6 | 4-M8*1 | 43 | ||
| 11-20 0541/1-02123 | 472 | 498 | 473.5 H8 | 640.8 | 585 | 547 H8 | 44 | 56 | 44 | 10 | 28-M12 | 20 | 32-Φ 14 | 630 | 6 | 105 | 0.6 | 4-M8*1 | 43 |
| SEG 650 20 01 CCLM | 472 | 498 | 474 H9 | 640.6 | 585 | 545.5 | 45 | 56 | 45 | 10 | 28-M12 | 20 | 32-Φ 14 | 630 | 6 | 105 | 0.7 | 2-M8*1 | 43 |
| 11-25 0555/1-04120 | 455 | 495 | 694.4 | 616 | 557 | 71 | 80 | 54 | 20-M20 | 40 | 20-Φ 22 | 680 | 8 | 85 | 0.8 | 4-M10*1 | 93 | ||
| 31-0641-01 | 572 | 598 | 574 H9 | 742 | 685 | 642 H9 | 46 | 56 | 46 | 10 | 32-M12 | 20 | 36-Φ 14 | 732 | 6 | 122 | 1 | 4-M8*1 | 56 |
| 11-20 0641/1-02132 | 572 | 598 | 742.8 | 685 | 645.5 | 44 | 56 | 44 | 32-M12 | 20 | 36-Φ 14 | 732 | 6 | 122 | 0.6 | 4-M8*1 | 52 | ||
| 11-20 0641/1-02133 | 572 | 598 | 573.5 H8 | 742.8 | 685 | 647 H8 | 44 | 56 | 44 | 10 | 32-M12 | 20 | 36-Φ 14 | 732 | 6 | 122 | 0.6 | 4-M8*1 | 52 |
| SEG 750 20 01 CCLM | 572 | 598 | 574 H9 | 742.3 | 685 | 645.5 | 45 | 56 | 45 | 10 | 32-M12 | 20 | 36-Φ 14 | 732 | 6 | 122 | 1 | 2-M8*1 | 52 |
| 11-25 0655/1-04130 | 555 | 595 | 798.4 | 716 | 657 | 71 | 80 | 54 | 24-M20 | 40 | 24-Φ 22 | 784 | 8 | 98 | 0.8 | 4-M10*1 | 111 | ||
| 31-0741-01 | 672 | 698 | 674 H9 | 840 | 785 | 743 H9 | 46 | 56 | 46 | 10 | 36-M12 | 20 | 40-Φ 14 | 828 | 6 | 138 | 0 | 4-M8*1 | 61 |
| 11-20 0741/1-02142 | 672 | 698 | 838.8 | 785 | 745.5 | 44 | 56 | 44 | 36-M12 | 20 | 40-Φ 14 | 828 | 6 | 138 | 0.6 | 4-M8*1 | 58 | ||
| 11-20 0741/1-02143 | 672 | 698 | 673.5 H8 | 838.8 | 785 | 747 H8 | 44 | 56 | 44 | 10 | 36-M12 | 20 | 40-Φ 14 | 828 | 6 | 138 | 0.6 | 4-M8*1 | 58 |
| SEG 850 20 01 CCLM | 672 | 698 | 674 H9 | 838.1 | 785 | 745.5 | 45 | 56 | 45 | 10 | 36-M12 | 20 | 40-Φ 14 | 828 | 6 | 138 | 0.95 | 2-M8*1 | 59 |
| 11-25 0755/1-04140 | 655 | 695 | 898 | 816 | 757 | 71 | 80 | 54 | 24-M20 | 40 | 24-Φ 22 | 882 | 9 | 98 | 1 | 4-M10*1 | 125 | ||
| SEG 900 25 01 CCLM | 655 | 695 | 657 H8 | 898 | 816 | 755 H8 | 71 | 80 | 54 | 15 | 24-M20 | 40 | 24-Φ 22 | 882 | 9 | 98 | 1 | 4-M8*1 | 128 |
| 31-0841-01 | 772 | 798 | 774 H9 | 950 | 885 | 842 H9 | 46 | 56 | 46 | 10 | 36-M12 | 20 | 40-Φ 14 | 936 | 8 | 117 | 1 | 4-M8*1 | 74 |
| 11-20 0841/1-02152 | 772 | 798 | 950.4 | 885 | 845.5 | 44 | 56 | 44 | 36-M12 | 20 | 40-Φ 14 | 936 | 8 | 117 | 0.8 | 4-M8*1 | 71 | ||
| 11-20 0841/1-02153 | 772 | 798 | 773.5 H8 | 950.4 | 885 | 847 H8 | 44 | 56 | 44 | 10 | 36-M12 | 20 | 40-Φ 14 | 936 | 8 | 117 | 0.8 | 4-M8*1 | 71 |
| SEG 950 20 01 CCLM | 772 | 798 | 774 H9 | 950.1 | 885 | 845.5 | 44 | 56 | 45 | 10 | 36-M12 | 20 | 40-Φ 14 | 936 | 8 | 117 | 0.95 | 2-M8*1 | 71 |
| 11-25 0855/1-03110 | 755 | 795 | 997 | 916 | 857 | 71 | 80 | 54 | 28-M20 | 40 | 28-Φ 22 | 981 | 9 | 109 | 1 | 4-M10*1 | 145 | ||
| SEG 1000 25 01 CC LM | 755 | 795 | 757 H8 | 997 | 916 | 855 H8 | 71 | 80 | 54 | 15 | 28-M20 | 40 | 28-Φ 22 | 981 | 9 | 109 | 1 | 4-M8*1 | 145 |
| 31-0941-01 | 872 | 898 | 874 H9 | 1046 | 985 | 943 H9 | 46 | 56 | 46 | 10 | 40-M12 | 20 | 44-Φ 14 | 1032 | 8 | 129 | 1 | 4-M8*1 | 78 |
| 11-20 0941/1-02162 | 872 | 898 | 1046.4 | 985 | 945.5 | 44 | 56 | 44 | 40-M12 | 20 | 44-Φ 14 | 1032 | 8 | 129 | 0.8 | 4-M8*1 | 77 | ||
| 11-20 0941/1-02 163 | 872 | 898 | 873.5 H8 | 1046.4 | 985 | 947 H8 | 44 | 56 | 44 | 10 | 40-M12 | 20 | 44-Φ 14 | 1032 | 8 | 129 | 0.8 | 4-M8*1 | 77 |
| SEG 1050 20 01 CC LM | 872 | 898 | 874 H9 | 1046.1 | 985 | 945.5 | 45 | 56 | 45 | 10 | 40-M12 | 20 | 44-Φ 14 | 1032 | 8 | 129 | 0.95 | 2-M8*1 | 77 |
| 11-25 0955/1-03120 | 855 | 895 | 1096 | 1016 | 957 | 71 | 80 | 54 | 30-M20 | 40 | 30-Φ 22 | 1080 | 9 | 120 | 1 | 4-M10*1 | 155 | ||
| SEG 1100 25 01 CC LM | 855 | 895 | 857 H8 | 1096 | 1016 | 955 H8 | 71 | 80 | 54 | 15 | 30-M20 | 40 | 30-Φ 22 | 1080 | 9 | 120 | 1 | 4-M8*1 | 155 |
| 11-25 1055/1-03130 | 955 | 995 | 1198 | 1116 | 1057 | 71 | 80 | 54 | 30-M20 | 40 | 30-Φ 22 | 1180 | 10 | 118 | 1 | 4-M10*1 | 171 | ||
| SEG 1200 25 01 CC LM | 955 | 995 | 957 H8 | 1198 | 1116 | 1055 H8 | 71 | 80 | 54 | 15 | 30-M20 | 40 | 30-Φ 22 | 1180 | 10 | 118 | 1 | 4-M8*1 | 171 |
| 31-1091-01 | 1022 | 1048 | 1024 H9 | 1198 | 1135 | 1094 H9 | 46 | 56 | 46 | 10 | 44-M12 | 20 | 48-Φ 14 | 1184 | 8 | 148 | 1 | 4-M8*1 | 95 |
| 11-20 1091/1-02172 | 1022 | 1048 | 1198.4 | 1135 | 1095.5 | 44 | 56 | 44 | 44-M12 | 20 | 48-Φ 14 | 1184 | 8 | 148 | 0.8 | 4-M8*1 | 90 | ||
| 11-20 1091/1-02173 | 1022 | 1048 | 1023.5 H8 | 1198.4 | 1135 | 1097 H8 | 44 | 56 | 44 | 10 | 44-M12 | 20 | 48-Φ 14 | 1184 | 8 | 148 | 0.8 | 4-M8*1 | 90 |
| SEG 1200 20 01 CC LM | 1022 | 1048 | 1024 H9 | 1198.1 | 1135 | 1095.5 | 45 | 56 | 45 | 10 | 44-M12 | 20 | 48-Φ 14 | 1184 | 8 | 148 | 0.95 | 2-M8*1 | 91 |
| 11-25 1155/1-03140 | 1055 | 1095 | 1298 | 1216 | 1157 | 71 | 80 | 54 | 36-M20 | 40 | 36-Φ 22 | 1280 | 10 | 128 | 1 | 4-M10*1 | 186 | ||
| SEG 1300 25 01 CC LM | 1055 | 1095 | 1057 H8 | 1298 | 1216 | 1155 H8 | 71 | 80 | 54 | 15 | 36-M20 | 40 | 36-Φ 22 | 1280 | 10 | 128 | 1 | 4-M10*1 | 190 |
| 11-25 1255/1-03150 | 1155 | 1195 | 1398 | 1316 | 1257 | 71 | 80 | 54 | 42-M20 | 40 | 42-Φ 22 | 1380 | 10 | 138 | 1 | 4-M10*1 | 201 | ||
| SEG 1400 25 01 CC LM | 1155 | 1195 | 1157 H8 | 1398 | 1316 | 1255 H8 | 71 | 80 | 54 | 15 | 42-M20 | 40 | 42-Φ 22 | 1380 | 10 | 138 | 1 | 4-M8*1 | 204 |
| 11-25 135571-03160 | 1255 | 1295 | 1498 | 1416 | 1357 | 71 | 80 | 54 | 42-M20 | 40 | 42-Φ 22 | 1480 | 10 | 148 | 1 | 4-M10*1 | 218 | ||
| SEG 1500 25 01 CC LM | 1255 | 1295 | 1257 H8 | 1498 | 1416 | 1355 H8 | 71 | 80 | 54 | 15 | 42-M20 | 40 | 42-Φ 22 | 1480 | 10 | 148 | 1 | 4-M8*1 | 222 |





