| Four-point contact slewing bearing with external gear | |||||||||||||||||
| Bearing No. | Dimension (mm) | Weight (kg) | |||||||||||||||
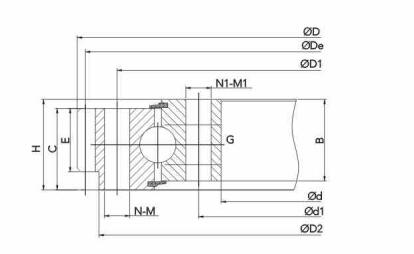
| d | d1 | D | D2 | D1 | C | E | H | B | N-M | N1-M1 | De | m | z | x | G | ||
| 011.14.0179.A | 125 | 144.5 | 244 | 234 | 214 | 25 | 20 | 25 | 25 | 24- Φ 11 | (20-1)-Φ 11 | 240 | 2 | 120 | 0 | 2-M6*1 | 5.5 |
| 011.14.0179.B | 125 | 144.5 | 244 | 234 | 214 | 35 | 20 | 45 | 35 | 24-Φ 11 | 20-Φ 11 | 240 | 2 | 120 | 0 | 2-M6*1 | 5.6 |
| 011.14.0179.C | 125 | 145 | 244 | 234 | 214 | 26 | 20 | 26 | 26 | 24-M12 | 4-M12 | 240 | 2 | 120 | 0 | 2-M6*1 | 5.5 |
| 011.14.0179 D | 125 | 144.5 | 244 | 234 | 214 | 25 | 20 | 25 | 25 | 24-M10 | (20-1)-M10 | 240 | 2 | 120 | 0 | 2-M6*1 | 55 |
| 011.14.0179 .E | 125 | 144.5 | 244 | 234 | 214 | 25 | 20.5 | 26 | 25 | 24-M10 | (24-1)-Φ 11 | 240 | 2 | 120 | 0 | / | 5.3 |
| 01-0181-02 | 125 | 144.5 | 244 | 234 | 214 | 25 | 20 | 25 | 25 | 24-Φ 11 | (20-1)-Φ 11 | 240 | 2 | 120 | 0 | 2-M6*1 | 6 |
| 011.20.200 | 120 | 152 | 300 | 280 | 248 | 50 | 40 | 60 | 50 | 12-Φ 16/M14 | 12-Φ 16/M14 | 294 | 3 | 98 | 0 | 2-M6*1 | 24 |
| 011.12.0220 .A | 165 | 185 | 285 | 270 | 250 | 30 | 25 | 35 | 30 | 8-M8 | 6-Φ 9 | 280 | 2.5 | 112 | 0 | 1-M6*1 | 8.6 |
| 011.20.224 | 144 | 176 | 321 | 304 | 272 | 50 | 40 | 60 | 50 | 12-Φ 16/M14 | 12-Φ 16/M14 | 315 | 3 | 105 | 0 | 2-M6*1 | 25 |
| 011.15.0235.C | 169 | 195 | 318 | 300 | 275 | 37 | 30 | 45 | 34 | 20-Φ 13.5 | 20-M12 | 312 | 3 | 104 | 0 | 2/2-M10*1 | 12.5 |
| 01-0235-00 | 169 | 195 | 318 | 300 | 275 | 37 | 30 | 45 | 34 | 20-Φ 13 | (20-1)-M12 | 312 | 3 | 104 | 0 | 2/2-M6*1 | 14 |
| 011.20.250 | 170 | 202 | 352 | 330 | 298 | 50 | 40 | 60 | 50 | 18-Φ 16/M14 | 18-Φ 16/M14 | 344 | 4 | 86 | 0 | 2-M8*1 | 30 |
| 011.20.280 | 200 | 232 | 384 | 360 | 328 | 50 | 40 | 60 | 50 | 18-Φ 16/M14 | 18-Φ 16/M14 | 376 | 4 | 94 | 0 | 2-M10*1 | 34 |
| QW 280 .16A | 198 | 232 | 388 | 360 | 328 | 50 | 44 | 60 | 50 | 10-Φ 15/M14 | 10-Φ 15/M14 | 384 | 4 | 96 | -0.5 | 2-M10*1 | 29 |
| 011.25.315 | 222 | 258 | 435 | 408 | 372 | 60 | 50 | 70 | 60 | 20-Φ 18/M16 | 20-Φ 18/M16 | 425 | 5 | 85 | 0 | 2-M10*1 | 52 |
| QW 315.16A | 233 | 267 | 424 | 395 | 363 | 50 | 44 | 60 | 50 | 12-Φ 15/M14 | 12-Φ 15/M14 | 420 | 4 | 105 | -0.5 | 2-M10*1 | 34 |
| D1787/267M | 267 | 295 | 447 | 416 | 390 | 44 | 39 | 50 | 44 | 16-Φ 17 5 | 16-Φ 17.5 | 441 | 3 | 147 | 0 | 2-M8*1 | 31 |
| 011.25.355 | 262 | 298 | 475 | 448 | 412 | 60 | 50 | 70 | 60 | 20-Φ 18/M16 | 20-Φ 18/M16 | 465 | 5 | 93 | 0 | 2-M10*1 | 59 |
| QW 355.16A | 273 | 307 | 464 | 435 | 403 | 50 | 44 | 60 | 50 | 12-Φ 15/M14 | 12-Φ 15/M14 | 460 | 4 | 115 | -0.5 | 2-M10*1 | 38 |
| 11.25.400 | 307 | 343 | 528 | 493 | 457 | 60 | 50 | 70 | 60 | 20-Φ 18/M16 | 20-Φ 18/M16 | 516 | 6 | 86 | 0 | 2-M10*1 | 69 |
| QW 400 .16A | 318 | 352 | 504 | 480 | 448 | 50 | 44 | 60 | 50 | 12-Φ 15/M14 | 12-Φ 15/M14 | 500 | 4 | 125 | -0.5 | 2-M10*1 | 46 |
| 011.25.450 | 357 | 393 | 576 | 543 | 507 | 60 | 50 | 70 | 60 | 20-Φ 18/M16 | 20-Φ 18/M16 | 564 | 6 | 94 | 0 | 2-M10*1 | 76 |
| QW 450.16A | 368 | 402 | 556 | 530 | 498 | 50 | 44 | 60 | 50 | 12-Φ 15/M14 | 12-Φ 15/M14 | 552 | 4 | 138 | -0.5 | 2-M10*1 | 52 |
| QW 450.20A | 354 | 392 | 570 | 544 | 508 | 60 | 50 | 70 | 60 | 12-Φ 17/M16 | 12-Φ 17/M16 | 565 | 5 | 113 | -0.5 | 2-M10*1 | 64 |
| D1787/380 | 380 | 408 | 550 | 523 | 498 | 45 | 38 | 52 | 45 | 16-1/2-UNC | 16-1/2-UNC | 540 | 5 | 108 | 0 | 2-M10*1 | 35 |
| 011.25.467.03 | 372 | 405 | 573.48 | 563 | 529 | 50 | 30 | 60 | 50 | 20-Φ 18 | 20-Φ 18 | 570 | 2 | 285 | -0.13 | 2-M10*1 | 50 |
| 011.25/30.500 | 398 | 434 | 629 | 602 | 566 | 70 | 60 | 80 | 70 | 20-Φ 18/M16 | 20-Φ 18/M 16 | 615 | 5 | 123 | 0.5 | 4-M10*1 | 85 |
| QW 500.20A | 404 | 442 | 625 | 594 | 558 | 60 | 50 | 70 | 60 | 14-Φ 17/M16 | 14-Φ 17/M16 | 620 | 5 | 124 | -0.5 | 2-M10*1 | 74 |
| 12.30.500.12 | 398 | 434 | 630 | 602 | 566 | 70 | 60 | 80 | 70 | 20-Φ 18 | 20-Φ 18 | 612 | 6 | 102 | 0.5 | 4-M10*1 | 88 |
| 011.18.510.03 | 430 | 460 | 605 | 580 | 560 | 53 | 45 | 58 | 50 | 12-Φ 14 | 12-M12 | 600 | 2.5 | 240 | 0 | 3-M10*1 | 53 |
| 011.25/30.560 | 458 | 494 | 689 | 662 | 626 | 70 | 60 | 80 | 70 | 20-Φ 18/M16 | 20-Φ 18/M 16 | 675 | 5 | 135 | 0.5 | 4-M10*1 | 95 |
| QWD560.20A | 464 | 502 | 685 | 654 | 618 | 60 | 50 | 70 | 60 | 14-M7/M1B | 14- 17/M 16 | 680 | 5 | 136 | 0.5 | 4-M10*1 | 79 |
| 011.30.560 03 | 458 | 494 | 684 | 662 | 626 | 70 | 60 | 80 | 70 | 20-M16 | 20-Φ 18 | 675 | 5 | 135 | 0 | 4-M10*1 | 96 |
| D178794 | 468 | 500 | 696 | 665 | 630 | 64 | 60 | 77 | 64 | 18-M16 | 18-Φ 18 | 684 | 6 | 114 | 0 | 6-M10*1 | 93 |
| D178794K1 | 468 | 500 | 696 | 665 | 630 | 43 | 40 | 53 | 43 | 18-M16 | 18-Φ 18 | 684 | 6 | 114 | 0 | 6-M10*1 | 56 |
| 011.25/30.630 | 528 | 564 | 772.8 | 732 | 696 | 70 | 60 | 80 | 70 | 24-Φ 18/M16 | 24-Φ 18/M16 | 756 | 6 | 126 | 0.5 | 4-M10*1 | 110 |
| QW 630.20A | 534 | 572 | 755 | 724 | 688 | 60 | 50 | 70 | 60 | 16-Φ 17/M16 | 16-Φ 17/M16 | 750 | 5 | 150 | -0.5 | 4-M10*1 | 88 |
| QW 630 25A | 522 | 566 | 774 | 734 | 694 | 68 | 58 | 78 | 68 | 16-Φ 22/M20 | 16-Φ 22/M20 | 768 | 6 | 128 | -0.5 | 6-M10*1 | 114 |
| E1787/600G2K1 | 600 | 636 | 798 | 768 | 740 | 62 | 50 | 72 | 60 | 20-M16 | 24-M16 | 786 | 6 | 131 | 0 | 4-M10*1 | 93 |
| 011.25/30.710 | 608 | 644 | 850.8 | 812 | 776 | 70 | 60 | 80 | 70 | 24-Φ 18/M16 | 24-Φ 18/M16 | 834 | 6 | 139 | 0.5 | 4-M10*1 | 120 |
| QW 710.20A | 614 | 652 | 840 | 804 | 768 | 60 | 50 | 70 | 60 | 18-Φ 17/M16 | 18- Φ 17/M16 | 834 | 6 | 139 | -0.5 | 4-M10*1 | 101 |
| QW 710.25A | 602 | 646 | 864 | 814 | 774 | 68 | 58 | 78 | 68 | 18-Φ 22/M20 | 18-Φ 22/M20 | 856 | 8 | 107 | -0.5 | 6-M10*1 | 132 |
| 012.30 710.03 | 608 | 644 | 856 | 812 | 776 | 70 | 60 | 80 | 70 | 24-Φ 17 5 | 24-M16 | 832 | 8 | 104 | 0.5 | 6-M10*1 | 120 |
| 011.25.720 12 | 620 | 660 | 860.3 | 820 | 780 | 68 | 60 | 80 | 68 | 18-M16 | 18-Φ 18 | 834 | 6 | 139 | 1.4 | 6-M10*1 | 130 |
| 1787/674G2K | 674 | 709 | 889 | 853 | 825 | 60 | 50 | 70 | 59 | 34-Φ 18 | 24-Φ 18 | 875 | 7 | 125 | 0 | 2-G1/8 | 89 |
| 1787/690K | 690 | 725 | 924 | 892 | 875 | 43 | 40 | 53 | 43 | 18-M18 | 18-Φ 20 | 912 | 6 | 152 | 0 | 6-M10*1 | 89 |
| 011.30/40.800 | 678 | 722 | 966.4 | 922 | 878 | 90 | 80 | 100 | 90 | 30- Φ 22/M20 | 30-Φ 22/M20 | 944 | 8 | 118 | 0.5 | 6-M10*1 | 220 |
| QW 800.20A | 704 | 742 | 936 | 894 | 858 | 60 | 50 | 70 | 60 | 20-Φ 17/M16 | 20-Φ 17/M 16 | 928 | 8 | 116 | -0.5 | 6-M10*1 | 114 |
| QW 800.25A | 692 | 736 | 952 | 904 | 864 | 68 | 58 | 78 | 68 | 18-Φ 22/M20 | 18-Φ 22/M20 | 944 | 8 | 118 | -0.5 | 6-M10*1 | 147 |
| QW 800.32A | 676 | 726 | 980 | 920 | 874 | 80 | 70 | 90 | 80 | 18-Φ 24/M22 | 18-Φ 24/M22 | 970 | 10 | 97 | -0.5 | 6-M10*1 | 212 |
| 011.408Q0 12 | 678 | 722 | 960 | 922 | 878 | 90 | 80 | 100 | 90 | 30-Φ 22 | 30-Φ 22 | 944 | 8 | 118 | 0 | 6-M10*1 | 224 |
| 1787/710G2K1 | 710 | 744 | 924 | 894 | 865 | 58 | 55 | 67 | 58 | 20-Φ 13 | 20-Φ 13 | 912 | 6 | 152 | 0 | 4-M10*1 | 105 |
| 1787/710G2K | 710 | 760 | 924 | 894 | 875 | 58 | 55 | 67 | 58 | 8-M10 | 12-M12 | 912 | 6 | 152 | 0 | 3-M10*1 | 107 |
| 011.30.895.03 | 760 | 820 | 1072 | 1020 | 980 | 85 | 70 | 95 | 80 | 16-Φ 18 | 16-M16 | 1064 | 4 | 266 | 0 | 2-M10*1 | 250 |
| 011.30/40.900 | 778 | 822 | 1062.4 | 1022 | 978 | 90 | 80 | 100 | 90 | 30-Φ 22/M20 | 30-Φ 22/M20 | 1040 | 8 | 130 | 0.5 | 6-M10*1 | 240 |
| QW 900.25A | 792 | 836 | 1060 | 1004 | 964 | 68 | 58 | 78 | 68 | 20-Φ 22/M20 | 20-Φ 22/M20 | 1050 | 10 | 105 | -0.5 | 6-M10*1 | 168 |
| OW 900.32A | 776 | 826 | 1080 | 1020 | 974 | 80 | 70 | 90 | 80 | 20-Φ 24/M22 | 20-Φ 24/M22 | 1070 | 10 | 107 | -0.5 | 6-M10*1 | 239 |
| 1787/800G | 800 | 838 | 1092 | 1050 | 1012 | 74 | 60 | 90 | 76 | 30-Φ 20 | 30-Φ 20 | 1080 | 6 | 180 | 0 | 3-M10*1 | 217 |
| 011.30/40.1000 | 878 | 922 | 1188 | 1122 | 1078 | 90 | 80 | 100 | 90 | 36-Φ 22/M20 | 36-Φ 22/M20 | 1160 | 10 | 116 | 0.5 | 6-M10*1 | 270 |
| QW 1000.25A | 892 | 936 | 1160 | 1104 | 1064 | 68 | 58 | 78 | 68 | 24-Φ 22/M20 | 24-Φ 22/M20 | 1150 | 10 | 115 | -0.5 | 6-M10*1 | 185 |
| QW 1000.32A | 876 | 926 | 1170 | 1120 | 1074 | 80 | 70 | 90 | 80 | 24-Φ 24/M22 | 24-Φ 24/M22 | 1160 | 10 | 116 | -0.5 | 6-M10*1 | 257 |
| 011.30/40.1120 | 998 | 1042 | 1298 | 1242 | 1198 | 90 | 80 | 100 | 90 | 36-Φ 22/M20 | 36-Φ 22/M20 | 1270 | 10 | 127 | 0.5 | 6-M10*1 | 300 |
| QW 1120.25A | 1012 | 1056 | 1280 | 1224 | 1184 | 68 | 58 | 78 | 68 | 28-Φ 22/M20 | 28-Φ 22/M20 | 1270 | 10 | 127 | -0.5 | 6-M10*1 | 210 |
| QW 1120.32A | 996 | 1046 | 1308 | 1240 | 1194 | 80 | 70 | 90 | 80 | 28-Φ 24/M22 | 28-Φ 24/M22 | 1296 | 12 | 108 | -0.5 | 6-M10*1 | 275 |
| 011.35/45.1250 | 1110 | 1163 | 1449.6 | 1390 | 1337 | 100 | 90 | 110 | 100 | 40-Φ 26/M24 | 40-Φ 26/M24 | 1416 | 12 | 118 | 0.5 | 5-M10*1 | 420 |
| QW 1250.32A | 1126 | 1176 | 1440 | 1370 | 1324 | 80 | 70 | 90 | 80 | 32-Φ 24/M22 | 32-Φ 24/M22 | 1428 | 12 | 119 | -0.5 | 5-M10*1 | 309 |





