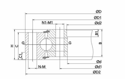
| Bearing No. | Dimension(mm) | Weight (kg) | |||||||||||||
| d | d2 | d1 | D | D2 | D1 | C | C1 | H | B | B1 | N-M | N1-M1 | G | ||
| 010.14.0179E | 124.5 | 126.5 H8 | 144.5 | 234 | 232 h8 | 214 | 30 | 5 | 35 | 30 | 5 | 12-Φ 11 | 12-M12 | 2/0-M8*1 | 6 |
| 010.14.0179.D | 124.5 | 126.5 H8 | 144.5 | 234 | 232 h8 | 214 | 30 | 5 | 35 | 30 | 5 | 12-Φ 11 | 12-Φ11 | 2/0-M8*1 | 6 |
| 03-0217-00 | 150 | 200 H7 | 175 | 290 | 241 g7 | 265 | 41.5 | 7.5 | 41.5 | 40 | 3.5 | 16-Φ 14 | (16-1)-M12 | 2/0-M10*1 | 14 |
| 010.16.0200A | 140 | 142 H7 | 160 | 280 | 278 h8 | 240 | 30 | 10 | 35 | 30 | 10 | 12-M10 | 12-Φ11 | 0/1-M8*1 | 9.7 |
| 010.20.0220.D | 138 | 140 H8 | 170 | 302 | 300 h8 | 270 | 41 | 8 | 46 | 41 | 8 | 10-Φ 18 | 10-Φ 18 | 2/0-M8*1 | 16 |
| 010 16.0220B | 140 | 142 H9 | 170 | 300 | 298 h8 | 270 | 30 | 5 | 36 | 34 | 10 | 8-Φ 18 | 8-Φ 18 | 2/0-M8*1 | 11.7 |
| 010.20.0250 .A | 170 | 170 H9 | 202 | 330 | 330 h9 | 298 | 50 | 10 | 60 | 50 | 10 | 18-M14 | 18-Φ 16 | 2/0-M10*1 | 21 |
| 010.20.0257 A | 190 | 192 H9 | 215 | 329 | 328 h9 | 305 | 44 | 12 | 45 | 44 | 12 | 16-Φ 14 | 16-Φ 14 | 2/0-M8*1 | 17 |
| 03-0260-00 | 190 | 192 H9 | 215 | 329 | 328 f9 | 305 | 44 | 12 | 45 | 44 | 12 | 16- Φ 14 | 16-Φ 14 | 2/0-M10*1 | 18 |
| 03-0260-23 | 190 | 192 H9 | 215 | 329 | 328 f9 | 305 | 45 | 12 | 50 | 45 | 12 | 16-Φ 14 | (16-1)-Φ 14 | 2/0-M10*1 | 18 |
| 010.20.0260A | 191 | 193 H8 | 215 | 329 | 327 h8 | 305 | 41 | 7 | 46 | 41 | 7 | 20-Φ 14 | 20-Φ 14 | 2/0-M8*1 | 15 |
| 01020.0260.B | 190 | 192 H8 | 215 | 329 | 328 h8 | 305 | 44 | 12 | 45 | 44 | 12 | 16-Φ 14 | 16-Φ 14 | 2/0-M10*1 | 16 |
| 10-20 0311/0-02003 | 242 | 243.5 H8 | 268 | 386 | 384.5 h8 | 360 | 44 | 10 | 56 | 44 | 10 | 20-Φ 14 | 20-Φ 14 | 4/0-M8*1 | 21 |
| 010.14.0318.A | 261 | 262 H8 | 281 | 375 | 378 f8 | 355 | 35 | 7 | 42 | 35 | 7 | 10-Φ 11 | 12-Φ 11 | 1/0-M10*1 | 13.4 |
| 010.14.0325 .A | 270 | 272 H9 | 290 | 380 | 378 h8 | 360 | 30 | 5 | 35 | 30 | 5 | 24-Φ 11 | 24-Φ 11 | 2/0-M8*1 | 12 |
| 03-0342-05 | 265 | 267 H9 | 295 | 440 | 438 f9 | 390 | 44 | 10 | 50 | 44 | 10 | 16-Φ 17.5 | 16-Φ 17.5 | 2/0-M10*1 | 30 |
| 03-0360-00 | 265 | 270 H9 | 300 | 455 | 450 f9 | 420 | 63 | 10 | 71 | 63 | 10 | 24-Φ 17.5 | (24-1)-Φ 17.5 | 2/0-M10*1 | 46 |
| 03-0402-00 | 335 | 336 H9 | 360 | 475 | 474 f9 | 450 | 44 | 10 | 45 | 44 | 10 | 24-Φ 14 | 24-Φ 14 | 3/0-M10*1 | 27 |
| 010.20.0402.A | 335 | 336 H9 | 360 | 475 | 474 f9 | 450 | 45 | 10 | 45 | 45 | 10 | 24-Φ 15 | 24-Φ 15 | 3/0-M10*1 | 31 |
| 33-0411-01 | 342 | 344 H9 | 368 | 486 | 484 f9 | 460 | 46 | 10 | 56 | 46 | 10 | 24-Φ 14 | 24-Φ 14 | 4/0-M8*1 | 30 |
| 10-20 0411/0-02013 | 342 | 343.5 H8 | 368 | 486 | 484.5 h8 | 460 | 44 | 10 | 56 | 44 | 10 | 24-Φ 14 | 24-Φ 14 | 4/0-M8*1 | 29 |
| SUN 486 20 01 CCLM | 342 | 344 H9 | 368 | 486 | 484 h9 | 460 | 46 | 10 | 56 | 46 | 10 | 24-Φ 14 | 24-Φ 14 | 2/2-M8*1 | 29 |
| 010.19.0414A | 342 | 344 H9 | 368 | 486 | 484 h9 | 460 | 46 | 10 | 56 | 46 | 10 | 24-Φ 14 | 24-Φ 14 | 4/0-M8*1 | 29 |
| 01025.0450 A | 357 | 357 H8 | 393 | 543 | 543 h8 | 507 | 60 | 15 | 70 | 60 | 15 | 24-M16 | 24-Φ18 | 2/0-M10*1 | 53 |
| 03-0525-01 | 424 | 425 H9 | 460 | 626 | 625 f9 | 590 | 63 | 10 | 72 | 63 | 10 | 24-Φ22 | 24-Φ22 | 3/0-M10*1 | 73 |
| 33-0541-01 | 472 | 474 H9 | 498 | 616 | 614 f9 | 590 | 46 | 10 | 56 | 46 | 10 | 32-Φ 14 | 32-Φ 14 | 4/0-M8*1 | 40 |
| 10-20 0541/0-02023 | 472 | 473.5 H8 | 498 | 616 | 614.5 h8 | 590 | 44 | 10 | 56 | 44 | 10 | 32-Φ 14 | 32-Φ 14 | 4/0-M8*1 | 37 |
| SUN 616 2001 CCLM | 472 | 474 H9 | 498 | 616 | 614 h9 | 590 | 46 | 10 | 56 | 46 | 10 | 32-Φ 14 | 32-Φ 14 | 2/2-M8*1 | 37 |
| 010.20.0544 .A | 472 | 474 H8 | 498 | 616 | 614 h8 | 590 | 44.5 | 10 | 56 | 44.5 | 10 | (32-1)-Φ 14 | 32-Φ 14 | 4/0-M8*1 | 37 |
| 03-0600-02 | 487 | 490 H9 | 531 | 712 | 710 f9 | 668 | 63 | 10 | 72 | 63 | 10 | 24-Φ 22 | 24-Φ 22 | 3/0-M10*1 | 93 |
| 33-0641-01 | 572 | 574 H9 | 598 | 716 | 714 f9 | 690 | 46 | 10 | 56 | 46 | 10 | 36-Φ 14 | 36-Φ H4 | 4/0-M8*1 | 45 |
| 10-20 0641/0-02033 | 572 | 573 5 H8 | 598 | 716 | 714.5 h8 | 690 | 44 | 10 | 56 | 44 | 10 | 36-Φ 14 | 36-Φ 14 | 4/0-M8*1 | 44 |
| SUN 716 20 01 CC LM | 572 | 574 H9 | 596 | 716 | 714 h9 | 690 | 46 | 10 | 56 | 46 | 10 | 36-Φ 14 | 36-Φ 14 | 2/2-M8*1 | 44 |
| 010.20.0644.A | 572 | 574 H8 | 598 | 716 | 714 h8 | 690 | 44.5 | 10 | 56 | 44.5 | 10 | 36-Φ 14 | 36-Φ 14 | 4/0-M8*1 | 44 |
| 03-0785-00 | 670 | 672 H9 | 710 | 900 | 898 f9 | 860 | 77 | 10 | 86 | 77 | 10 | 36-Φ 22 | (36-1)-Φ 22 | 3/0-M10*1 | 150 |
| 33-0741-01 | 672 | 674 H9 | 698 | 816 | 814 f9 | 790 | 46 | 10 | 56 | 46 | 10 | 40-Φ 14 | 40-Φ 14 | 4/0-M8*1 | 55 |
| 10-20 0741/0-02043 | 672 | 673 5 H8 | 698 | 816 | 814.5 h8 | 790 | 44 | 10 | 56 | 44 | 10 | 40-Φ 14 | 40-Φ 14 | 4/0-M8*1 | 52 |
| SUN 816 20 01 CC LM | 672 | 674 H9 | 698 | 816 | 814 h9 | 790 | 46 | 10 | 56 | 46 | 10 | 40-Φ 14 | 40-Φ 14 | 2/2-M8*1 | 52 |
| SUN 855 25 01 CC LM | 655 | 657 H9 | 695 | 855 | 853 h9 | 815 | 54 | 15 | 63 | 54 | 15 | 24-Φ 22 | 24-Φ 22 | 4/0-M10*1 | 90 |
| 33-0841-01 | 772 | 774 H9 | 798 | 916 | 914 f9 | 890 | 46 | 10 | 56 | 46 | 10 | 40-Φ 14 | 40-Φ 14 | 4/0-M8*1 | 62 |
| 10-20 0841/0-02053 | 772 | 773.5 H8 | 798 | 916 | 914.5 h8 | 890 | 44 | 10 | 56 | 44 | 10 | 40-Φ 14 | 40-Φ 14 | 4/0-M8*1 | 59 |
| SUN 916 20 01 CC LM | 772 | 774 H9 | 798 | 916 | 914 h9 | 890 | 46 | 10 | 56 | 46 | 10 | 40-Φ 14 | 40-Φ 14 | 2/2-M8*1 | 60 |
| SUN 955 25 01 CC LM | 755 | 757 H9 | 795 | 955 | 953 h9 | 915 | 54 | 15 | 63 | 54 | 15 | 28-Φ 22 | 28-Φ 22 | 4/0-M10*1 | 101 |
| 33-0941-01 | 872 | 874 H9 | 898 | 1016 | 1014 f9 | 990 | 46 | 10 | 56 | 46 | 10 | 44-Φ 14 | 44-Φ 14 | 4/0-M8*1 | 67 |
| 10-20 0941/0-02063 | 872 | 873.5 H8 | 898 | 1016 | 1014.5 h8 | 990 | 44 | 10 | 56 | 44 | 10 | 44-Φ 14 | 44-Φ 14 | 4/0-M8*1 | 66 |
| SUN 1016 20 01 CC LM | 872 | 874 H8 | 898 | 1016 | 1014 h8 | 990 | 44 | 10 | 56 | 44 | 10 | 44-Φ 14 | 44-Φ 14 | 2/2-M8*1 | 67 |
| SUN 1055 25 01 CC LM | 855 | 857 H9 | 895 | 1055 | 1053 h9 | 1015 | 54 | 15 | 63 | 54 | 15 | 30-Φ 22 | 30-Φ 22 | 4/0-M10*1 | 115 |
| 03-0980-02 | 845 | 845 H9 | 890 | 1130 | 1130 f9 | 1070 | 90 | 10 | 100 | 90 | 10 | 36-Φ 26 | (36-1)-Φ 26 | 4/0-M10*1 | 286 |
| SUN 1155 25 01 CCLM | 955 | 957 H9 | 995 | 1155 | 1153 h9 | 1115 | 54 | 15 | 63 | 54 | 15 | 30-Φ 22 | 30-Φ 22 | 4/0-M10*1 | 128 |
| 33-1091-01 | 1022 | 1024 H9 | 1048 | 1166 | 1164 f9 | 1140 | 46 | 10 | 56 | 46 | 10 | 48-Φ 14 | 48-Φ 14 | 4/0-M8*1 | 81 |
| 10-20 1091/0-02073 | 1022 | 1023.5 H8 | 1048 | 1166 | 1164 .5 h8 | 1140 | 44 | 10 | 56 | 44 | 10 | 48-Φ 14 | 48-Φ 14 | 4/0-M8*1 | 77 |
| SUN 1116 2001 CCLM | 1022 | 1024 H9 | 1048 | 1166 | 1164 h9 | 1140 | 46 | 10 | 56 | 46 | 10 | 48-Φ 14 | 48-Φ 14 | 2/2-M8*1 | 77 |
| SUN 1255 25 01 CC LM | 1055 | 1057 H9 | 1095 | 1255 | 1253 h9 | 1215 | 54 | 15 | 63 | 54 | 15 | 36-Φ 22 | 36-Φ 22 | 4/0-M10*1 | 139 |
| SUN 1355 25 01 CC LM | 1155 | 1157 H9 | 1195 | 1355 | 1353 h9 | 1315 | 54 | 15 | 63 | 54 | 15 | 42-Φ 22 | 42-Φ 22 | 4/0-M10*1 | 148 |
| SUN 1455 25 01 CC LM | 1255 | 1257 H9 | 1295 | 1455 | 1453 h9 | 1415 | 54 | 15 | 63 | 54 | 15 | 42-Φ 22 | 42-Φ 22 | 4/0-M10*1 | 161 |





