GE 12 E Radial spherical plain bearings with 12 mm bore
GE 12 E Radial spherical plain bearings detail Specifications:
Material : 52100 Chrome Steel
Seal Type : Open type
Weight : 0.016 kg
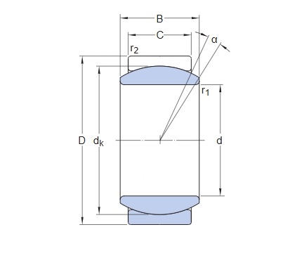
Main Dimensions:
Bore diameter (d) : 12 mm
Outer diameter (D) : 22 mm
Width (B) : 10 mm
Width outer ring (C) : 7 mm
Raceway diameter inner ring (dk) : 18 mm
Chamfer dimension bore(r1 min.) : 0.3 mm
Chamfer dimension outer ring (r2 min.) : 0.3 mm
Angle of tilt : α =11°
Dynamic load ratings (Cr) : 10.0 KN
Static load ratings (Cor) : 50.00 KN
ABUTMENT DIMENSIONS
Abutment diameter shaft (da min.) : 13.8 mm
Abutment diameter shaft (da max.): 15 mm
Abutment diameter housing (Da min.): 17.1 mm
Abutment diameter housing (Da max.): 20.4 mm
Fillet radius shaft (ra max.) : 0.3 mm
Fillet radius housing(rb)max. : 0.3 mm











