GE180UK2RS spherical plain bearings with 180 mm Bore
GE180UK2RS spherical plain bearings detail Specifications:
Material : 52100 Chrome Steel
Seal Type : 2RS
Maintenance : Maintenance free
Weight : 17.4 kg
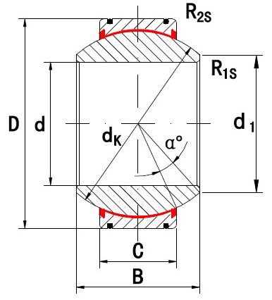
Main Dimensions:
Bore diameter (d) : 180 mm
Outer diameter (D) : 260 mm
Width (B) : 105 mm
Width outer ring (C) : 80 mm
d1 (min) : 199 mm
Raceway diameter inner ring (dk) : 225 mm
Chamfer dimension bore(R1s min.) : 1.1 mm
Chamfer dimension outer ring(R2s min.) : 1.1 mm
Angle of tilt:α =6°
Dynamic load ratings (Cr) : 4320.00 KN
Static load ratings (Cor) : 7000.00 KN
ABUTMENT DIMENSIONS
Abutment diameter shaft (da max.) : 198.9 mm
Abutment diameter housing (Da min.): 219 mm
Fillet radius shaft (ra max.) : 1.1 mm
Fillet radius housing(rb)max. : 1.1 mm











