NATV 12 PP Support rollers (yoke-type track rollers) with flange rings and relubrication feature
NATV 12 PP Support rollers (yoke-type track rollers) with flange rings and relubrication feature detail Specifications :
Material : 52100 Chrome Steel
Construction : Single row
Seal type : seals on both sides
Limiting Speed : 1800 rpm
Weight : 0.072 kg
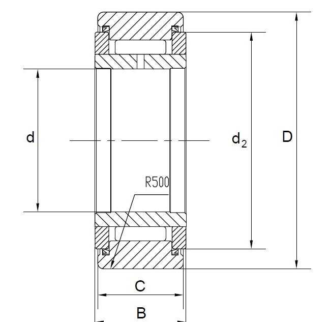
Main Dimensions :
Bore diameter (d) : 12 mm
Outside diameter flange ring (d2) : 25 mm
Outer diameter (D) : 32 mm
Width inner ring (B) : 15 mm
Width outer ring (C) : 14 mm
Dynamic load ratings (Co) : 9.70 KN
Static load ratings (Cor) : 15.40 KN
Write your message here and send it to us











