Needle roller Bearings: NA 49 RS,2RS
| Item | Dimensions (mm) | Basic load ratings | Limiting speed (rpm) | |||||||
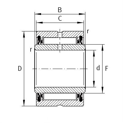
| RNA 49..RS | RNA 49..RS | d | F | D | C | B | r (min) | dyn.Cr KN | stat.Cor KN | |
| NA 4900-RS | NA 4900-2RS | 10 | 14 | 22 | 13 | 14 | 0.3 | 6.8 | 6.9 | 13000 |
| NA 4901-RS | NA 4901-2RS | 12 | 16 | 24 | 13 | 14 | 0.3 | 7.6 | 8.3 | 12000 |
| NA 4902-RS | NA 4902-2RS | 15 | 20 | 28 | 13 | 14 | 0.3 | 8.6 | 10.6 | 10000 |
| NA 4903-RS | NA 4903-2RS | 17 | 22 | 30 | 13 | 14 | 0.3 | 8.8 | 11 | 9000 |
| NA 4904-RS | NA 4904-2RS | 20 | 25 | 37 | 17 | 18 | 0.3 | 17.3 | 19.9 | 7500 |
| NA 4905-RS | NA 4905-2RS | 25 | 30 | 42 | 17 | 18 | 0.3 | 19.3 | 24.2 | 6500 |
| NA 4906-RS | NA 4906-2RS | 30 | 35 | 47 | 17 | 18 | 0.3 | 21.1 | 28.5 | 5500 |
| NA 4907-RS | NA 4907-2RS | 35 | 42 | 55 | 20 | 21 | 0.6 | 26.5 | 39.5 | 4800 |
| NA 4908-RS | NA 4908-2RS | 40 | 48 | 62 | 22 | 23 | 0.6 | 36 | 53 | 4200 |
| NA 4909-RS | NA 4909-2RS | 45 | 52 | 68 | 22 | 23 | 0.6 | 38 | 59 | 3900 |
| NA 4910-RS | NA 4910-2RS | 50 | 58 | 72 | 22 | 23 | 0.6 | 40 | 64 | 3500 |





