page_banner

Products

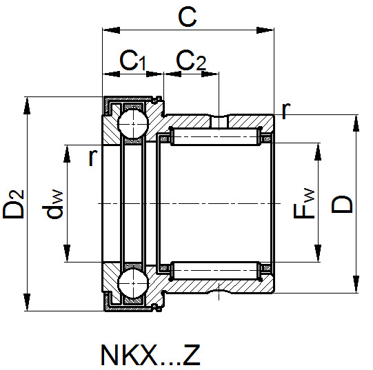
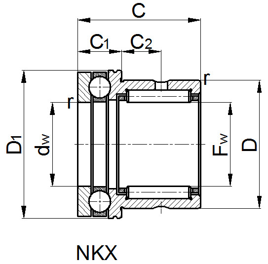
Needle roller bearings are bearings with cylindrical rollers that are small in diameter relative to their length. The modified roller/raceway profile prevents stress peaks to extend bearing service life. needle roller bearings in many different designs, series and in a wide range of sizes, which makes them appropriate for a wide variety of operating conditions and applications.
Combined radial/axial bearings: NKIA, NKIB series
Bearing Designation Borndary Dimensions Basic Load Rating(KN) Limiting Speed(rpm)
d F D B Radial Axial
Dyn. Cr Stat. Cor Dyn. Ca Stat. Coa Oil
NKIA 5901 12 16 24 16 5.047 6.352 2.01 1.62 23000
NKIA 5902 15 20 28 18 8.4 9.6 2.14 2.07 21000
NKIA 5903 17 22 30 18 8.8 10.6 2.34 2.37 20000
NKIA 5904 20 25 37 23 18 21 3.14 3.9 17000
NKIA 59/22 22 28 39 23 19.5 25.5 3.55 4.2 15000
NKIA 5905 25 30 42 23 20.5 27 3.6 4.8 14000
NKIA 5906 30 35 47 23 22.5 31.5 4.05 5.4 13000
NKIA 5907 35 42 55 27 28 46 5.7 7.5 11000
NKIA 5908 40 48 62 30 39 55.05 6 8.9 9000
NKIA 5909 45 55 68 30 40.5 68.9 6.3 10.5 8500
NKIA 5910 50 60 72 30 42.5 75 6.89 11.8 8000
NKIA 5911 55 63 80 34 50.8 96 8.05 14.5 7000
NKIA 5912 60 68 85 34 56.4 98 9.5 15.8 6500
NKIA 5913 65 75 90 34 57.5 106 9.8 17 6500
NKIA 5914 70 80 100 40 79.05 152 11.8 22.5 5500
NKIB 5901 12 16 24 16 7.6 8.3 2.16 1.94 23000
NKIB 5902 15 20 28 20 10.6 13.6 2.34 2.37 21000
NKIB 5903 17 22 30 20 11 14.6 2.5 2.75 20000
NKIB 5904 20 25 37 25 21 25.5 3.95 4.2 17000
NKIB 59/22 22 28 39 25 22.8 29.5 4.25 4.85 15000
NKIB 5905 25 30 42 25 23.6 31.5 4.35 5.2 14000
NKIB 5906 30 35 47 25 25 35.5 4.75 6.3 13000
NKIB 5907 35 42 55 30 31.5 50 6 8.4 11000
NKIB 5908 40 48 62 34 43 67 7.4 10.9 9000
NKIB 5909 45 52 68 34 45 73 7.7 12 8500
NKIB 5910 50 58 72 34 47 80 8.1 13.7 8000
NKIB 5911 55 63 80 38 58 100 9.7 16.6 7000
NKIB 5912 60 68 85 38 60 108 10 17.9 6500
NKIB 5913 65 72 90 38 61 112 10.3 19.3 6500
NKIB 5914 70 80 100 45 84 156 13.5 25 5500