NKX 70-Z Needle roller / thrust Ball bearings
NKX 70-Z Needle roller / thrust Ball bearings detail Specifications:
Material : 52100 Chrome Steel
Series : With Inner Ring
Construction : Single Row , Bearing with end cap
Limiting Speed : 4500 rpm
Weight : 0.50 kg
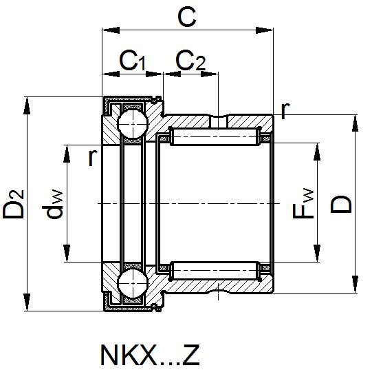
Main Dimensions:
Diameter under rollers (Fw) : 70 mm
Outer diameter (D) : 85 mm
Diameter of flange (D1) max. : 95.20 mm
Diameter of stamped steel cover (D2) max. : 96.50 mm
Width (C) : 40 mm
Width of thrust part (C1) : 18 mm
Distance side face to lubrication hole (C2) : 11 mm
Bore diameter of thrust part (dw) : 70 mm
Chamfer dimension(r) min. : 1.0 mm
Dynamic load ratings radial (Cr) : 44.50 KN
Static load ratings radial (Cor) : 92.00 KN
Dynamic load ratings axial (Cr) : 43.00 KN
Static load ratings axial (Cor) : 127.00 KN
ABUTMENT DIMENSIONS
Diameter of shaft abutment (da) min. : 90.5 mm
Radius of fillet (ra) max. : 1.0 mm
Radius of fillet(rb)max. : 1.0 mm
Bore diameter of associated inner ring (di) : 60 mm
Diameter of inner ring raceway (F) : 70 mm
Width of associated inner ring (Bi) : 25 mm












