SA 35 T/K Rod end bearing with 35 mm bore
SA 35 T/K Rod end bearing with 35 mm bore detail Specifications:
Material :
Housing : carbon steel
Outer ring : bearing steel
Sliding contact surface : steel
Requiring maintenance
Without Sealing
Right-hand Thread direction
Weight : 1.64 kg
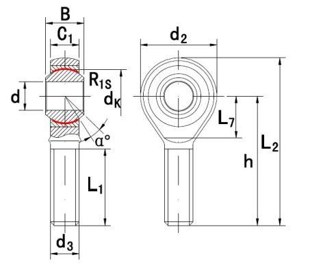
Main Dimensions:
Bore diameter (d) : 35 mm
Thread size (d3) : M36x2.0
Width (B) : 43 mm
Head width (C1) : 28 mm
Thread length-male (L1 min) : 85 mm
Head diameter (d2) : 81 mm
Distance shank chamfer - centre rod end eye (L7 min) : 40 mm
Base to Center-male (h) : 140 mm
Housing height -male (L2) : 180.5 mm
Ball diameter (dk) : 57.15 mm
Chamfer (R1s) : 0.3
Tilt angle (a) : 16°
Write your message here and send it to us











