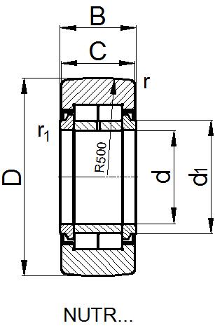
NUTR50 Yoke type track roller bearings Support rollers, with flange rings, with an inner ring
NUTR50 Yoke type track roller bearings Support rollers, with flange rings, with an inner ring detail Specifications:
Material : 52100 Chrome Steel
Construction : Double row
Seal type : seals on both sides
Guide Roller Type : Track roller
Limiting Speed : 1600 rpm
Weight : 0.95 kg
Main Dimensions:
Outer diameter (D) : 90 mm
Bore diameter (d) : 50 mm
Width inner ring (B) : 32 mm
Width outer ring (C) : 30 mm
Outside diameter flange ring (d1) : 59.8 mm
Chamfer dimension outer ring (r) min. : 1.1 mm
Chamfer dimension flange ring bore (r1) min. : 0.6 mm
Dynamic load ratings (Cr) : 57.00 KN
Static load ratings (Cor) : 81.00 KN
Permissible static load , radial (Fr per) : 32.00 KN
Permissible dynamic load outer ring , radial (F0r per) : 62.00 KN











